Будьте в курсе!
Новости, обзоры и акции
Время работы:
ПН-ПТ 10:00 - 19:00
СБ-ВС выходной
Новости, обзоры и акции
|
|
|
|
|
|
(0)
|
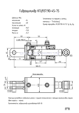
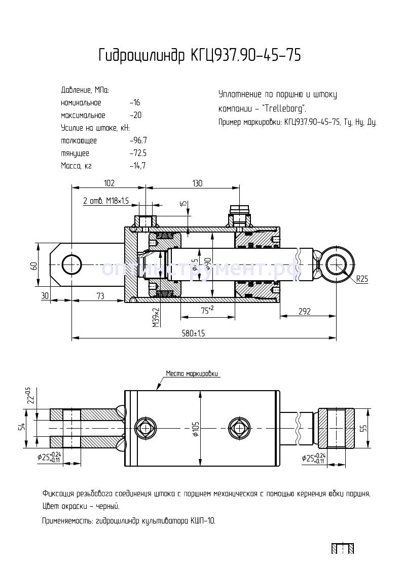
Вы можете узнать актуальную цену для города Красноярска, на гидроцилиндр КГЦ937.90-45-75, сделав запрос, на наш электронный адрес 2584500@bk.ru
Гидроцилиндр на культиватор КШП-10 (Элезер) КГЦ 937.90-45-75 в продаже по цене 0 руб. в Интернет-магазине Проф-инструмент с доставкой в Красноярске и Красноярском крае. Звоните по телефону +8 (800) 302-10-51.
Новости, обзоры и акции
