Будьте в курсе!
Новости, обзоры и акции
Время работы:
ПН-ПТ 10:00 - 19:00
СБ-ВС выходной
Новости, обзоры и акции
|
|
|
|
|
|
(2)
|
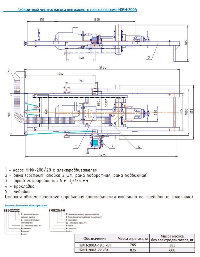
Насос для жидкого навоза НЖН-200А-1 (под 22кВт) в продаже по цене 0 руб. в Интернет-магазине Проф-инструмент с доставкой в Красноярске и Красноярском крае. Звоните по телефону +8 (800) 302-10-51.
Новости, обзоры и акции
